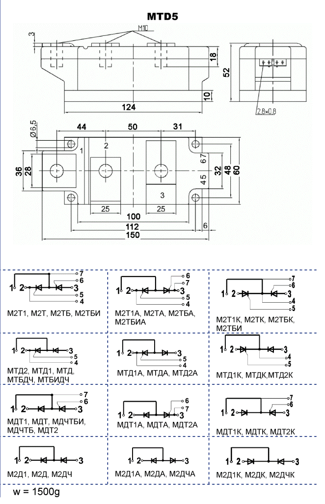
М2Д630-18 / М2Д400/ М2Д500 -МОДУЛЬ СИЛОВОЙ

6800,00